Inteligentna soba

Stavka

Specifikacija

Glavne značajke sustava RControl

Sustav dizajniran za sigurnost, praktičnost i potpunu kontrolu.

Jedan kontroler za dvije sobe

Upravlja i nadzire dvije sobe istovremeno iz jednog uređaja.

Programiranje sustava preko web stranica u uređaju

Postavke se podešavaju izravno putem ugrađenih web stranica.

Kontrola ulaza u sobu putem šifre ili kartice

Ulazak je moguć šifrom (privremeno) ili karticom gosta/osoblja.

Kontrola rasvjete i klime

Struja i klima aktiviraju se samo kad je kartica umetnuta u držač.

Svjetlo dobrodošlice

Po ulasku, automatski se pali hodničko svjetlo.

Statusi prozora i vrata

Vlasnik u svakom trenutku vidi jesu li vrata/prozori otvoreni.

Alarmiranje putem SMS ili e-mail poruka

U slučaju alarma, sustav šalje obavijest na mobitel ili e-mail.

Programska podrška

Uređaj koristi IoT tehnologiju za programiranje i pregled podataka. Kompletna programska podrška i baza podataka nalazi se u samom uređaju i nije potrebno instalirati nikakav dodatni programski paket.

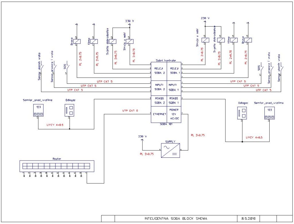
Blok shema

Blok shema i način spajanja uređaja.

Upravljanje i pristup

RControl je kontroler za upravljanje, nadzor i alarmiranje u apartmanima. Iot tehnologija (internet of things) omogućuje praktički neograničene mogućnosti komunikacije kako među kontrolerima tako i pristup kontroleru putem interneta sa bilo koje platforme (PC računalo, tablet, mobitel). Kontroler upravlja radom sa dvije sobe. Svaki kontroler može se programirati preko web stranica ugrađenih u sam uređaj. Za svaku sobu može se programirati do 10 kartica za zadani vremenski period. Prije zadanog perioda ili po isteku tog perioda pristup sobi toj kartici nije dozvoljen. Prvi ulaz gosta u sobu omogućen je i bez kartiice sa šifrom. Šifra vrijedi maximalno pola sata od prvog ulaza u sobu. Nakon toga se automatski briše iz memorije uređaja. Kartica, koja gosta može čekati u sobi, koristi se za sve daljnje ulaske u apartman i za uključenje električne energije u objektu. Za osoblje se koriste trajne kartice i vrijedi sve dok se ne izbrišu iz memorije uređaja.

Energetska učinkovitost i automatika

Struja u sobi se aktivira samo kada je kartica gosta ili osoblja u odlagaču kartica. Odlagač prepoznaje karticu, nije moguća zamjena sa nekom drugom karticom. Klima uređaj se gasi kada gost napusti sobu ili kad duže vrijeme drži balkonska vrata ili prozore otvorenim. Po ulasku u sobu pali se "svjetlo dobrodošlice" u hodniku i tako gostu osvijetli prostor u koji ulazi.

Nadzor i sigurnost

Trenutni statusi soba su dostupni vlasniku apartmana putem mobitela. U svakom trenutku moguće je provjeriti da li je gost u sobi, statuse balkonskih prozora i vrata, eventualne alarme. Također je moguće alarme u (SOS, provala) dobiti na mobilni uređaj vlasnika.

Programska podrška

Pametno rješenje za nadzor energije bez potrebe za dodatnim softverom

Kontrolni panel

Ulazni panel za daljinsko otvaranje vrata sobe ili programiranje kartica gostiju ili osoblja.

Kartica za gosta

Pregled kartica gostiju, parametri kartice, broj kartice, ulaz na šifru ili na karticu, vremenski period u kojem kartica vrijedi.

Programiranje kartice gostiju

Programiranje kartice gosta, podešavanje datuma boravka gosta u objektu

Kartice osoblja

Pregled kartica osoblja, izmjena brisanje i programiranje novih kartica.
 

Parametri soba

Podešavanje sistemskih parametara za svaku sobu.

Mrežna komunikacija

Podešavanje komunikacijskih parametara uređaja.

Ulazni signali

Pregled statusa senzora u sobi.

Izlazni signali

Modul za testiranje izlaznih signalnih elemenata.

 
 
 

Shema spajanja inteligentne sobe